
![]()
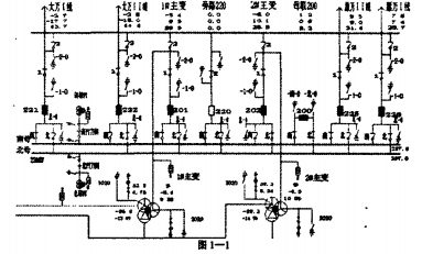
220KV雙母線槽的接線,倒母線操作解析 1#、2#主變并排作業;1#主變110KV、220KV中性點接地刀閘在合閘方位。220KV南、北母經母聯200斷路器并排作業;其間:大萬I線221、1#主變201、雁萬ⅡI線225斷路器作業于南母,大萬線222、2#主變202、雁萬Ⅰ線226斷路器作業于北母。220KV旁母備用,旁路220斷路器熱備用于南母。 2022-03-28

![]()
220kV母線槽的防護改造 母線槽是保證電網安穩工作的重要設備,要求其功用安全可靠,能快速切除故障。廣元局所轄的220 kV和110 kV母線槽保護大都經過改造更換為 RCS -915微機母線槽保護設備,該保護設備具有適合于現場各種主接線辦法、動作速度快、靈敏度高,功用安穩且工作保護便當。現提出一些改造進程中所遇的問題和處理辦法。 2022-03-25

![]()
淺談母線槽的防護方法 進入20世紀90時代,配電系統的繼電防護及自動化全面進入微機時代,電力電子技術從電磁、晶體管﹑集成電路、計算機直到今天的網絡化技術,微計算機技術的開展使微機防護及監控產品日益普及,防護功用日趨完善。 2022-03-24

![]()
對于母線槽失壓事故的分析及處理 本文結合母線槽失壓事故的相關事例,全面分析了母線槽失壓事故的原因,概括了母線槽失壓事故原因的判別流程和事故處理流程,并在此基礎上提出了事故處理辦法及預防辦法。 2022-03-23

![]()
母線槽的快速切換原理與特點介紹 一些用電負荷較大的企業一般直接選用6KV用電設備(如電動機,變壓器)供電,為前進供電可靠性,正常情況下一般選用6KV作業母線槽向用電設備供電,因為用電是否可靠直接挾制企業出產設備的連續安穩作業,另設備用母線槽。 2022-03-22

![]()
對于母線槽的火災防范措施 母線槽主要是用以傳輸電力時的信息和完成電磁能轉化的線材產品,廣義的密閉型母線亦簡稱為母線槽,狹義的母線是指絕緣母線。它可界說為:由下列部分組成的集合體:一根或多根絕緣線芯,以及它們各自可能具有的包覆層,總保護層及外護層。母線亦可有附加的沒有絕緣的導體。 2022-03-21

![]()
關于220kv母線槽的電壓范圍 有關220kv母線槽電壓規模,既是母線槽電壓等級也是線路電壓等級,實踐上是整個系統的電壓等級,供電電壓容許過錯也不相同,35kV及以上供電電壓正、負過錯的絕對值之和不跨越額定電壓的10%。 2022-03-18

![]()
母線槽的分類介紹,關于母線槽的選型標準 母線槽為所有類型的負載配電和操控電能,適用于工業、商業和類似用處,導體體系形成的封閉成套設備。該導體體系由管道、槽或類似外殼中絕緣資料間隔和支撐的母線構成。 2022-03-17

![]()
關于高低壓成套開關柜中母線槽的規劃標準 母線槽是指在成套開關柜頂用來作為聯接柜間以及柜內各電氣設備進行集合、分配和傳送電能的導體。在發生短路缺點時要承受短路電流構成的發熱和電動力作用,是作為高、低壓成套電器中重要的一次元件。 2022-03-16

![]()
母線槽的刀閘過熱該怎么辦 發現母線槽、刀閘工作中過熱時,應下降該回路負荷,盡早安排停電處理;重要回路不能減負荷或停電時,應設法部分降溫,并加強監督、探測。 2022-03-15